Elektromechanické pohony MPOF s havarijní funkcí pro ventily Optima Compact
Elektromechanické pohony MPOF s havarijní funkcí pro ventily Optima Compact

Pohony řady MPOF jsou elektromechanické ovládací pohony s havarijní funkcí s NFC komunikací určené pro 2-cestné a 3-cestné regulační ventily s pracovním zdvihem do 8,5 mm.
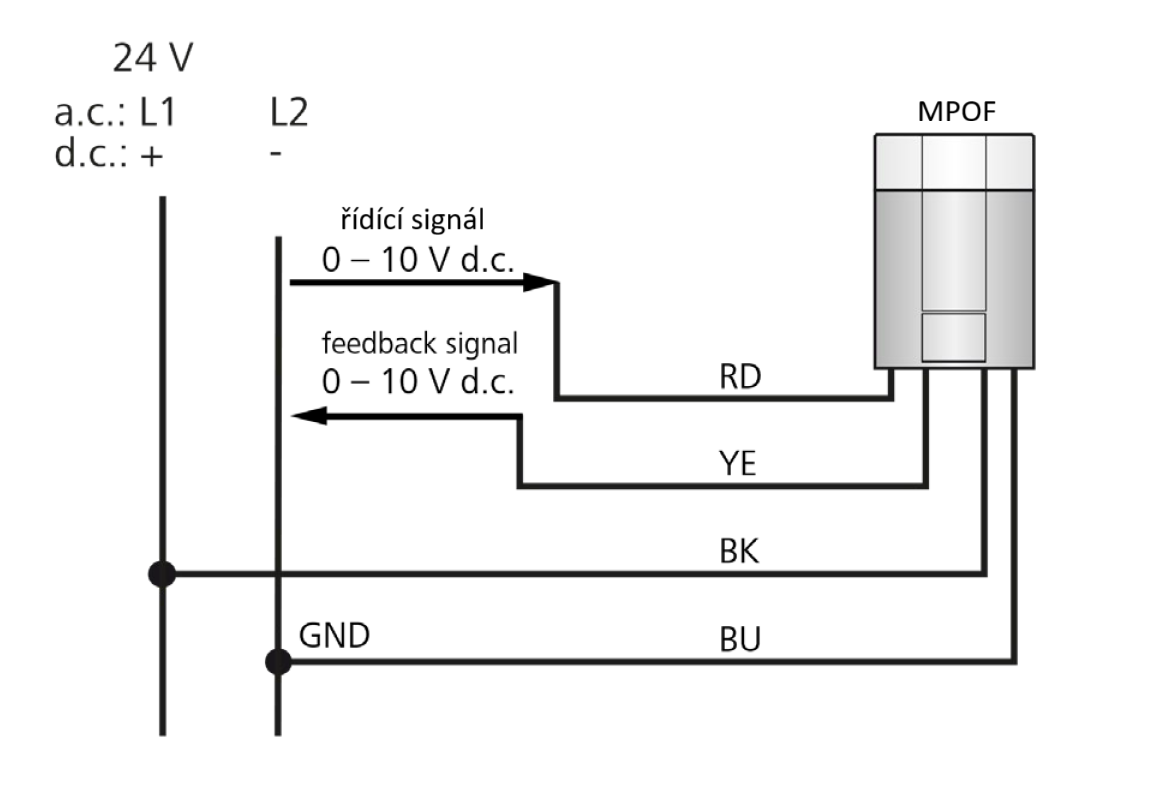
Napájení: 24V AC/DC
Řízení: typicky 0(2)-10V, ale pohon umožňuje nastavit prakticky libovolný rozsah řídícího signálu v rozmězí 0-10V
Použití:
- Tlakově nezávislé 2-cestné regulační ventily Optima Compact / Optima Compact Plus DN 10-32
- Kombinované 2-cestné regulační ventily D 9525 (doporučený rozsah nastevení ventilu 8 - 9,5)
- 2-cestné a 3-cestné regulační ventily řady VSXT, VMXT a VTXT
- 2-cestné a 3-cestné regulační ventily řady VSX, VMX a VTX
- 2-cesné a 3-cestné regulační ventily dalších výrobců s pracovním zdvihem do 8,5mm a potřebnou ovládací silou do 200N
Neváhejte nás oslovit - rádi pro vás připravíme kalkulaci celého projektu.
Elektromechanické pohony MPOF s havarijní funkcí pro ventily Optima Compact
Poptat produktVarianty
| Varianta produktu | pro ventil | Obj. číslo | Cena bez DPH | BIM | DWG |
|---|---|---|---|---|---|
| Elektromechanický pohon MPOF s havarijní funkcí 24V 0-10V, kabel 1m | Optima Compact DN 10-20, zdvih 2,5mm | MPOF46-3-1-10 | 6 035 Kč | ||
| Elektromechanický pohon MPOF s havarijní funkcí 24V 0-10V, kabel 1m | Optima Compact DN 10-20, zdvih 5mm | MPOF46-3-1-41 | 6 035 Kč | ||
| Elektromechanický pohon MPOF s havarijní funkcí 24V 0-10V, kabel 1m | Optima Compact DN 20-32, zdvih 5,5mm | MPOF46-3-1-63 | 6 035 Kč | ||
| Elektromechanický pohon MPOF s havarijní funkcí 24V 0-10V, kabel 1m, zpětné hlášení polohy | Optima Compact DN 10-20, zdvih 2,5mm | MPOF46-4-1-10 | 6 121 Kč | ||
| Elektromechanický pohon MPOF s havarijní funkcí 24V 0-10V, kabel 1m, zpětné hlášení polohy | Optima Compact DN 10-20, zdvih 5mm | MPOF46-4-1-41 | 6 121 Kč | ||
| Elektromechanický pohon MPOF s havarijní funkcí 24V 0-10V, kabel 1m, zpětné hlášení polohy | Optima Compact DN 20-32, zdvih 5,5mm | MPOF46-4-1-63 | 6 121 Kč | ||
| Elektromechanický pohon MPOF s havarijní funkcí 24V 0-10V, kabel 2m | Optima Compact DN 10-20, zdvih 2,5mm | MPOF46-3-2-10 | 6 335 Kč | ||
| Elektromechanický pohon MPOF s havarijní funkcí 24V 0-10V, kabel 2m | Optima Compact DN 10-20, zdvih 5mm | MPOF46-3-2-41 | 6 335 Kč | ||
| Elektromechanický pohon MPOF s havarijní funkcí 24V 0-10V, kabel 2m | Optima Compact DN 20-32, zdvih 5,5mm | MPOF46-3-2-63 | 6 335 Kč | ||
| Elektromechanický pohon MPOF s havarijní funkcí 24V 0-10V, kabel 2m, zpětné hlášení polohy | Optima Compact DN 10-20, zdvih 2,5mm | MPOF46-4-2-10 | 6 421 Kč | ||
| Elektromechanický pohon MPOF s havarijní funkcí 24V 0-10V, kabel 2m, zpětné hlášení polohy | Optima Compact DN 10-20, zdvih 5mm | MPOF46-4-2-41 | 6 421 Kč | ||
| Elektromechanický pohon MPOF s havarijní funkcí 24V 0-10V, kabel 2m, zpětné hlášení polohy | Optima Compact DN 20-32, zdvih 5,5mm | MPOF46-4-2-63 | 6 421 Kč |
Popis
Pohony řady MPOF s havarijní funkcí jsou 24V / 0(2)-10V elektromechanické ovládací pohony s NFC komunikací určené pro 2-cestné a 3-cestné regulační ventily s pracovním zdvihem do 8,5 mm.
Pro nastavení a čtení dat z pohonu není potřeba žádné speciální zařízení, postačí mobilní telefon nebo tablet s NFC a s operačním systémem Android nebo iOS.
Nastavit lze náspedující parametry:
- Logiku regulace (min. úroveň řídícího signálu = dřík vysunut / zasunut, max. úroveň řídícího signálu = dřík vysunut / zasunut)
- Volba rozsahu řídícího signálu - typicky 0-10V, 2-10V ... ale nastavit lze jakýkoli pracovní rozsah v kroku 0,1V a v rozmezí 0-10V.
- Ovládací sílu - 100, 125, 150 nebo 200N
- Rychlost - 15s/mm nebo 30s/mm
- Autokalibraci na zdvih daného ventilu (zapnout / vypnout autokalibraci) nebo možnost ručního zadání pracovního zdvihu použitého ventilu
- Logiku havarijní funkce - 0% (zcela zavřeno) až 100% (zcela otevřeno) nastavit lze v kroku po 1% pracovního zdvihu.
- Možnost aktivace funkce "bypass" - v pozici zavřeno např. řídící signál 0V nebude ventil zcela uzavřen, ale bude jím protékat zvolené množství. Možnost volby v rozmezí 0% (zavřeno, funkce "bypass" deaktivovaná) až 50%.
- Zobrazení na displeji aktuální zdvih ventilu v mm nebo v % otevření
- Lineární nebo EQM charakteristika ventilu
- Rozsah zpětného hlášení polohy (1-9V, 1-5V nebo 0-10V) - pouze provedení se zpětným hlášením polohy
Funkce:
- Plynulá regulace výkonu spotřebiče spojitým napěťovým řídícím signálem 0–10 V, 2–10 V nebo v jiném rozsahu
- Možnost bezpečného uzavření ovládaného ventilu
- Ruční ovládání
| Připojení | M30×1,5 | ||
|---|---|---|---|
| Max.pracovní zdvih | až 8,5 mm (autokalibrace) | ||
| Rychlost přestavení | volitelně 15 nebo 30 s/mm | ||
| Krytí | IP 54 | ||
| Pracovní teplota | 0–50 °C | ||
| Napájení | 24V AC/DC | ||
| Regulace |
| ||
| Značení | typ, napájení, příkon, CE |
NFC Android NFC iOS


Použití
Použití elektromechanických pohonů MPOF 46xx:
Pohony slouží především pro ovládání tlakově nezávislých 2-cestných regulačních ventilů Optima Compact / Optima Compact Plus DN 10 - DN 32, kombinovaných 2-cestných regulačních ventilů D 9525, 2-cestných a 3-cestných regulačních ventilů řady VSXT, VMXT a VTXT i ventilů dalších výrobců spojitým napěťovým řídícím signálem.

Termostatické radiátorové ventily
Tlakově nezávislé termostatické radiátorové ventily
Termostatické hlavice
RTL ventily - omezovače teploty zpátečky
Měřící clony
Ruční vyvažovací ventily
Automatické vyvažovací ventily
Tlakově nezávislé 2-cestné regulační ventily
Regulační ventily malých spotřebičů
2-cestné regulační ventily
3-cestné regulační ventily
Regulační kulové kohouty
Termoelektrické ovládací pohony
Elektromechanické ovládací pohony
Regulátory tlakové diference
Termostatické směšovací ventily
Přírubové potrubní filtry
Uzavírací mezipřírubové klapky
Izolační pouzdra pro ventily a ovládací pohony
HVAC ventily a ovládací pohony - náhradní díly
Nástěnné fancoily
Parapetní fancoily
Kazetové fancoily
Neopláštěné vysokotlaké fancoily
Fancoily pro bytové použití
Fancoily pro hotely
Regulace pro fancoily
Teplovzdušné jednotky
Chladící vodní jednotky
Destratifikátory
Dveřní a vratové clony
Sálavé panely
Ventilové sady k fancoilům
Elektrostatické filtry Crystall
Náhradní díly pro fancoily. teplovzdušné jednotky a dveřní clony
Čerpadla kondenzátu
Nástěnné regulátory
Teplotní čidla
Termostaty
Elektromechanické ovládací pohony
Termoelektrické ovládací pohony
Tlakově nezávislé 2-cestné regulační ventily
2-cestné regulační ventily
3-cestné regulační ventily
Regulační kulové kohouty
Regulační ventily malých spotřebičů
Izolační pouzdra pro regulační ventily a ovládací pohony Hydronix
Izolační pouzdra pro regulační ventily a ovládací pohony jiných výrobců
Náhradní díly pro regulační ventily a ovládací pohony
Teplovzdušné jednotky se směšovací komorou
Rekuperační jednotky
Koncové prvky VZT rozvodů
Designové ventilové sady pro koupelny
Exkluzivní designové ventilové sady pro koupelny
Designové termostatické ventily pro desková a článková tělesa
Designové termostatické hlavice
Designové RTL ventily
RTL ventily - omezovače teploty zpátečky
Univerzální topné tyče pro koupelnová tělesa
Exkluzivní topné tyče pro koupelnová tělesa
Topné tyče s Wi-Fi a Android / iOS aplikací
Topné tyče pro horizontální instalaci - pro článková otopná tělesa
Ostatní topné tyče pro koupelnová tělesa
Příslušenství pro designová otopná tělesa a topné tyče
Náhradní díly pro designové ventily
Náhradní díly pro topné tyče
Výrobky s krytím IP55 až IP66
Bezsilikónové produkty
Ventily pro pitnou vodu
Produkty pro výbušné prostředí