Hydronix Hledat Menu
Kategorie (0)
Nebyla nalezena žádná kategorie
Produkty (0)
Nebyl nalezen žádný produkt
Články (0)
Nebyl nalezen žádný článek

Elektromechanické pohony MPO bez havarijní funkce pro ventily Optima Compact

Elektromechanické pohony MPO bez havarijní funkce pro ventily Optima Compact

Pohony řady MPO jsou elektromechanické ovládací pohony s NFC komunikací určené pro 2-cestné a 3-cestné regulační ventily s pracovním zdvihem do 8,5 mm.  

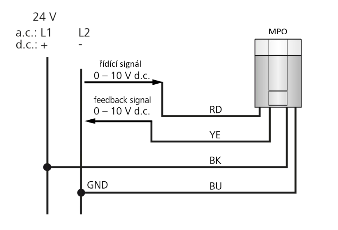
Napájení: 24V AC/DC

Řízení: typicky 0(2)-10V, ale pohon umožňuje nastavit prakticky libovolný rozsah řídícího signálu v rozmězí 0-10V 

 

Použití:

  • Tlakově nezávislé 2-cestné regulační ventily Optima Compact / Optima Compact Plus DN 10-32
  • Kombinované 2-cestné regulační ventily D 9525 (doporučený rozsah nastevení ventilu 8 - 9,5)
  • 2-cestné a 3-cestné regulační ventily řady VSXT, VMXT a VTXT
  • 2-cestné a 3-cestné regulační ventily řady VSX, VMX a VTX
  • 2-cesné a 3-cestné regulační ventily dalších výrobců s pracovním zdvihem do 8,5mm a potřebnou ovládací silou do 200N 

více o produktu

Poptat produkt

Neváhejte nás oslovit - rádi pro vás připravíme kalkulaci celého projektu.

Varianty Popis Použití Příslušenství
Elektromechanické pohony MPO bez havarijní funkce pro ventily Optima Compact

Elektromechanické pohony MPO bez havarijní funkce pro ventily Optima Compact

Poptat produkt

Varianty

Varianta produktu pro ventil Obj. číslo Cena bez DPH BIM DWG
Elektromechanický pohon MPO bez havarijní funkce 24V 0-10V, kabel 1m Optima Compact DN 10-20, zdvih 2,5mm MPO46-3-1-10 3 148 Kč
Elektromechanický pohon MPO bez havarijní funkce 24V 0-10V, kabel 1m Optima Compact DN 10-20, zdvih 5mm MPO46-3-1-41 3 148 Kč
Elektromechanický pohon MPO bez havarijní funkce 24V 0-10V, kabel 1m Optima Compact DN 20-32, zdvih 5,5mm MPO46-3-1-63 3 148 Kč
Elektromechanický pohon MPO bez havarijní funkce 24V 0-10V, kabel 1m, zpětné hlášení polohy Optima Compact DN 10-20, zdvih 2,5mm MPO46-4-1-10 3 285 Kč
Elektromechanický pohon MPO bez havarijní funkce 24V 0-10V, kabel 1m, zpětné hlášení polohy Optima Compact DN 10-20, zdvih 5mm MPO46-4-1-41 3 285 Kč
Elektromechanický pohon MPO bez havarijní funkce 24V 0-10V, kabel 1m, zpětné hlášení polohy Optima Compact DN 20-32, zdvih 5,5mm MPO46-4-1-63 3 285 Kč
Elektromechanický pohon MPO bez havarijní funkce 24V 0-10V, kabel 2m Optima Compact DN 10-20, zdvih 2,5mm MPO46-3-2-10 3 448 Kč
Elektromechanický pohon MPO bez havarijní funkce 24V 0-10V, kabel 2m Optima Compact DN 10-20, zdvih 5mm MPO46-3-2-41 3 448 Kč
Elektromechanický pohon MPO bez havarijní funkce 24V 0-10V, kabel 2m Optima Compact DN 20-32, zdvih 5,5mm MPO46-3-2-63 3 448 Kč
Elektromechanický pohon MPO bez havarijní funkce 24V 0-10V, kabel 2m, zpětné hlášení polohy Optima Compact DN 10-20, zdvih 2,5mm MPO46-4-2-10 3 585 Kč
Elektromechanický pohon MPO bez havarijní funkce 24V 0-10V, kabel 2m, zpětné hlášení polohy Optima Compact DN 10-20, zdvih 5mm MPO46-4-2-41 3 585 Kč
Elektromechanický pohon MPO bez havarijní funkce 24V 0-10V, kabel 2m, zpětné hlášení polohy Optima Compact DN 20-32, zdvih 5,5mm MPO46-4-2-63 3 585 Kč

Popis

Pohony řady MPO jsou 24V / 0(2)-10V elektromechanické ovládací pohony s NFC komunikací určené pro 2-cestné a 3-cestné regulační ventily s pracovním zdvihem do 8,5 mm.  

Pro nastavení a čtení dat z pohonu není potřeba žádné speciální zařízení, postačí mobilní telefon nebo tablet s NFC a s operačním systémem Android nebo iOS.

Nastavit lze náspedující parametry:

  • Logiku regulace (min. úroveň řídícího signálu = dřík vysunut / zasunut, max. úroveň řídícího signálu = dřík vysunut / zasunut)
  • Volba rozsahu řídícího signálu - typicky 0-10V, 2-10V ... ale nastavit lze jakýkoli pracovní rozsah v kroku 0,1V a v rozmezí 0-10V. 
  • Ovládací sílu - 100, 125, 150 nebo 200N
  • Rychlost - 15s/mm nebo 30s/mm
  • Autokalibraci na zdvih daného ventilu (zapnout / vypnout autokalibraci) nebo možnost ručního zadání pracovního zdvihu použitého ventilu 
  • Možnost aktivace funkce "bypass" - v pozici zavřeno např. řídící signál 0V nebude ventil zcela uzavřen, ale bude jím protékat zvolené množství. Možnost volby v rozmezí 0% (zavřeno, funkce "bypass" deaktivovaná) až 50%.   
  • Zobrazení na displeji aktuální zdvih ventilu v mm nebo v % otevření
  • Lineární nebo EQM charakteristika ventilu
  • Rozsah zpětného hlášení polohy (1-9V, 1-5V nebo 0-10V) - pouze provedení se zpětným hlášením polohy

 

Funkce:

  • Plynulá regulace výkonu spotřebiče spojitým napěťovým řídícím signálem 0–10 V, 2–10 V nebo v jiném rozsahu
  • Možnost bezpečného uzavření ovládaného ventilu
  • Ruční ovládání
Připojení M30×1,5
Max.pracovní zdvih až 8,5 mm (autokalibrace)
Rychlost přestavení volitelně 15 nebo 30 s/mm
Krytí IP 54
Pracovní teplota 0–50 °C
Napájení 24V AC/DC
Regulace
  0–10 VDC, 2–10 VDC nebo jiný rozsah řídícího signálu
Značení typ, napájení, příkon, CE

 

                 NFC Android                                                                         NFC iOS

 

 

Použití

Použití elektromechanických pohonů MPO 46xx:

Pohony slouží především pro ovládání tlakově nezávislých 2-cestných regulačních ventilů Optima Compact / Optima Compact Plus DN 10 - DN 32, kombinovaných 2-cestných regulačních ventilů D 9525, 2-cestných a 3-cestných regulačních ventilů řady VSXT, VMXT a VTXT i ventilů dalších výrobců spojitým napěťovým řídícím signálem.

 

 

Příslušenství